搜索产品
首页
产品主页
企业简介
产品展厅
联系我们
1FSW
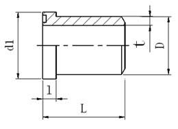
重系列法兰ISO 6162-2 / 焊接管
S-SERIES FLANGE ISO 6162-2 / WELD TUBE
代 号
法兰型号
DXt
尺寸 DIMENSION
压力等级 MPa
PART NO.
FLANGE SIZE
d1
D
l
L
1FSW-08-16X2
1/2”
16X2
31.7
16
7.8
34
40
1FSW-08-20X2.5
1/2”
20X2.5
20
1FSW-12-16X2
3/4”
16X2
41.3
16
8.8
38
1FSW-12-20X2.5
3/4”
20X2.5
20
1FSW-12-25X4
3/4”
25X4
25
1FSW-16-25X3
1”
25X3
47.6
25
9.5
40
1FSW-16-30X4
1”
30X4
30
1FSW-16-38X5
1”
38X5
38
1FSW-20-25X3
1.1/4”
25X3
54
25
10.3
45
1FSW-20-30X4
1.1/4”
30X4
30
1FSW-20-38X5
1.1/4”
38X5
38
1FSW-20-42X6
1.1/4”
42X6
42
1FSW-24-38X5
1.1/2”
38X5
63.5
38
12.6
50
1FSW-24-45X6.5
1.1/2”
45X6.5
45
1FSW-24-48X8
1.1/2”
48X8
48
1FSW-24-50X8
1.1/2”
50X8
50
1FSW-32-60X8
2”
60X8
79.4
60
12.6
58
1FSW-32-60X10
2”
60X10
60