1CI-B     1CI-B/RN

1DI-B     1DI-B/RN

 

 

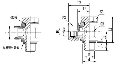
英管螺纹铰接接头

BSP BANJO

 

代      号 PART NO.

螺纹 THREAD

管子外径TUBE O.D.

尺    寸   DIMENSIONS

密封垫圈 SEALING RING

压力等级
MPa

E

M

D1

d

h

l

l1

L1

l2

L2

S1

S2

S3

1CI-12-02B

M12X1.5

G1/8"

6

13.9

1.5

8

10.5

25.5

12

27

14

17

14

DP-10I

 

31.5
轻系列
L

1CI-14-04B

M14X1.5

G1/4"

8

17.9

1.5

12

14

32.5

15.5

30

19

24

17

DP-14I

1CI-16-04B

M16X1.5

G1/4"

10

17.9

1.5

12

14

32.5

16.5

31

19

24

19

DP-14I

1CI-18-06B

M18X1.5

G3/8"

12

22.9

2

12

16.5

38

19.5

34.5

24

30

22

DP-18I

1CI-22-08B

M22X1.5

G1/2"

15

26.9

2

14

21.5

49

21.5

37

27

32

27

DP-22I

1CI-26-08B

M26X1.5

G1/2"

18

26.9

2

14

21.5

49

21

37

27

32

32

DP-22I

1CI-30-12B

M30X2

G3/4"

22

31.9

2

16

24

56

27.5

44

32

41

36

DP-27I

16
轻系列
L

1CI-36-16B

M36X2

G1"

28

38.9

2

18

30.5

71

32

49

41

50

41

DP-33I

1CI-45-20B

M45X2

G1.1/4"

35

48.9

2

20

35.5

82

36

58

50

60

50

DP-42I

1CI-52-24B

M52X2

G1.1/2"

42

54.9

2

22

40.5

93

40.5

63

55

70

60

DP-48I

1DI-14-04B

M14X1.5

G1/4"

6

17.9

1.5

12

14

32.5

17.5

32

19

24

17

DP-14I

 

63
重系列
S

1DI-16-04B

M16X1.5

G1/4"

8

17.9

1.5

12

14

32.5

17.5

32

19

24

19

DP-14I

1DI-18-06B

M18X1.5

G3/8"

10

22.9

2

12

16.5

38

20

36.5

24

30

22

DP-18I

1DI-20-06B

M20X1.5

G3/8"

12

22.9

2

12

16.5

38

20

36.5

24

30

24

DP-18I

1DI-22-08B

M22X1.5

G1/2"

14

26.9

2

14

21.5

49

22.5

40

27

32

27

DP-22I

1DI-24-08B

M24X1.5

G1/2"

16

26.9

2

14

21.5

49

22

40

27

32

30

DP-22I

1DI-30-12B

M30X2

G3/4"

20

31.9

2

16

24

56

26.5

48

32

41

36

DP-27I

40
重系列
S

1DI-36-16B

M36X2

G1"

25

38.9

2

18

30.5

71

31.5

56

41

50

46

DP-33I

1DI-42-20B

M42X2

G1.1/4"

30

48.9

2

20

35.5

82

37

64

50

60

50

DP-42I

1DI-52-24B

M52X2

G1.1/2"

38

54.9

2

22

40.5

93

41.5

72

55

70

60

DP-48I

注:1.如需带卡套及卡套螺母整套订货,则请在代号后加“RN”,如1DI-36-16B/RN。
2.O形圈按英制螺纹可调向接头端。

Note:1.In case if you are interested to order the adapter in complete set with cutting ring and nut ,it is necessary to insert suffix "RN" after our part no.,for example 1DI-36-16B/RN. 2.O-RING is accordant with BSP thread adjustable stud ends.