1EW9

 

 

90° METRIC MALE O-RING/BUTT-WELD TUBE

 
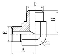
PART NO. THREAD 直 TUBE O.D. O-RING DIMENSIONS
E   E A B D S1
1EW9-12-06 M12X1.25 6 8X1.9 20.5 16.5 6 12
1EW9-14-08 M14X1.5 8 10X1.9 22.5 17.5 8 14
1EW9-16-10 M16X1.5 10 11X1.9 24 19.5 10 17
1EW9-18-12 M18X1.5 12 13X1.9 26 25 12 19
1EW9-22-14 M22X1.5 14 16X2.4 29 27 14 22
1EW9-27-18 M27X1.5 18 20X2.4 32.5 29.5 18 27
1EW9-30-22 M30X1.5 22 24X2.4 35.5 33.5 22 30
1EW9-36-28 M36X2 28 30X3.1 42 39 28 36
1EW9-39-30 M39X2 30 32X3.1 47.5 43 30 41
1EW9-42-34 M42X2 34 35X3.1 49.5 43 34 41
1EW9-45-38 M45X2 38 38X3.1 52.5 47.5 38 46
1EW9-52-42 M52X2 42 40X3.1 57 50 42 50

Note:The parameter of E end O-Ring is ring outside diameter and ring width.